用Origin数据分析绘图软件回放mPower1203功耗egk数据
客户希望用origin软件回放mpower1203或者mini的egk波形文件,这里把详细步骤记录下,便于其他客户参考。
1.打开Esight工具,进入"工具"-"设置"-"数据"菜单,点击浏览选择egk文件。
压缩选项不勾选则转换后数据量很大,如果勾选数据量很小,是否压缩只是微弱影响数据精度,对于波形回放结果差异很小。
2.这里用一个30多秒的波形文件演示,压缩和不压缩后的数据回放,下面是转换后的txt文件:
3.打开origin新建一个空白工作簿
4.选中x列,并删除,因为egk文件转换后只有Y坐标一列数据,X坐标默认是1us(未压缩)。
5.点击“数据”-“从文件导入”-“导入向导”
6.选择txt文件,这里用未压缩文件演示(压缩文件步骤一样的,选另外一个txt即可)
7.然后直接点击“完成”按钮,等待即可,数据量大等待时间会比较长。
8.导入完成后,选中Y列数据,选择折线图
9.未压缩数据回放结果如下:
10.压缩数据回放结果如下:
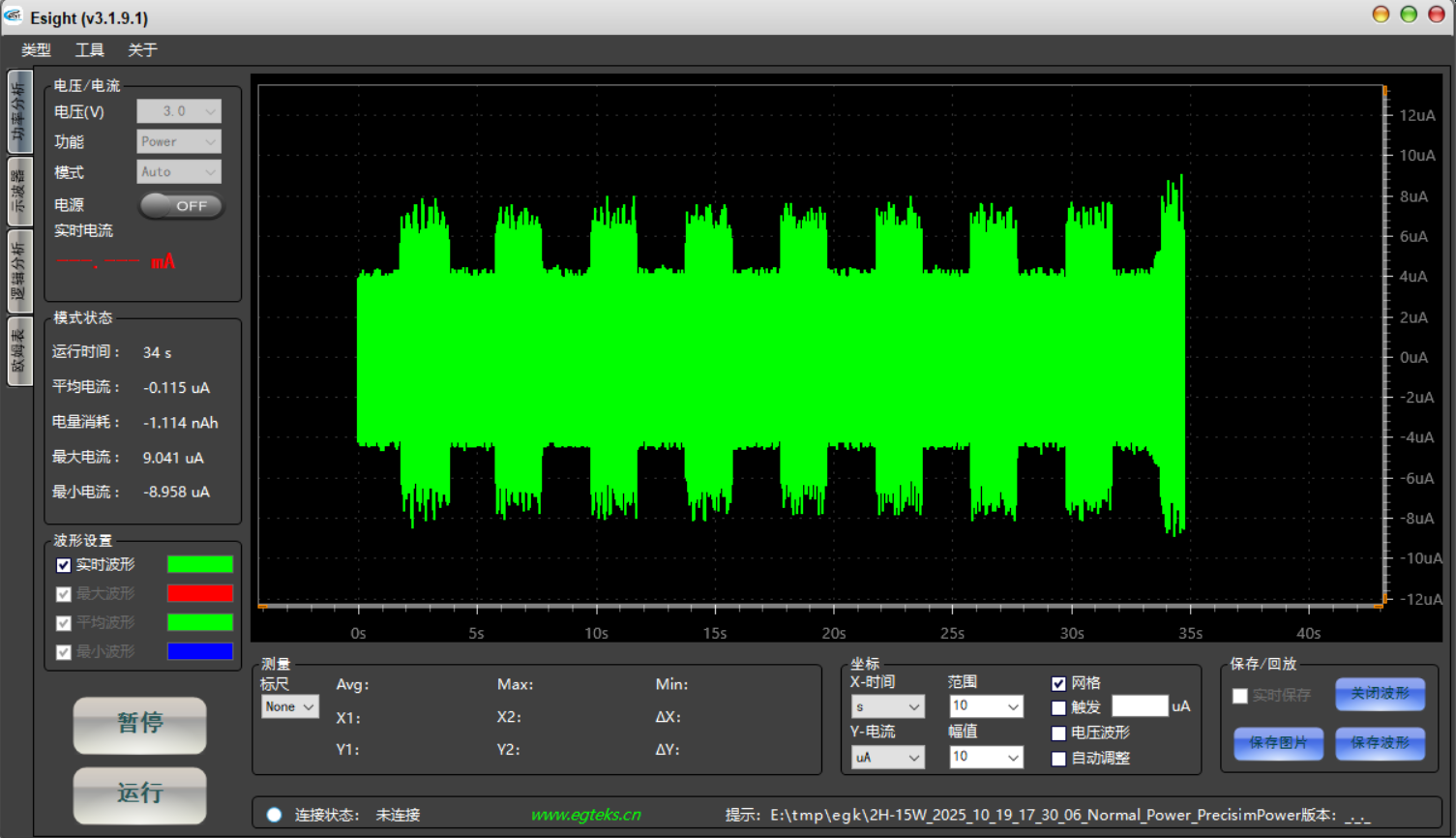
11.使用Esight工具回放结果如下:
------------------------------------------------------------------------------------------
mPower1203U是一款稳压直流电源用于低功耗分析,有着Ksight N6705的精度,却比Power monitor更小巧便携。电脑端使用配套的E-sight工具可以实时分析波形,具有电源供电和电流表双模式。
支持linux发行版,苹果Mac OS和windows系统二次开发API接口(提供C#,python,VB,C++,Labview等例程),方便工厂和测试环境集成到现有的工具和设备中进行自动化测试。
更多资讯请关注公众号
1.打开Esight工具,进入"工具"-"设置"-"数据"菜单,点击浏览选择egk文件。
压缩选项不勾选则转换后数据量很大,如果勾选数据量很小,是否压缩只是微弱影响数据精度,对于波形回放结果差异很小。
2.这里用一个30多秒的波形文件演示,压缩和不压缩后的数据回放,下面是转换后的txt文件:
3.打开origin新建一个空白工作簿
4.选中x列,并删除,因为egk文件转换后只有Y坐标一列数据,X坐标默认是1us(未压缩)。
5.点击“数据”-“从文件导入”-“导入向导”
6.选择txt文件,这里用未压缩文件演示(压缩文件步骤一样的,选另外一个txt即可)
7.然后直接点击“完成”按钮,等待即可,数据量大等待时间会比较长。
8.导入完成后,选中Y列数据,选择折线图
9.未压缩数据回放结果如下:
10.压缩数据回放结果如下:
11.使用Esight工具回放结果如下:
------------------------------------------------------------------------------------------
mPower1203U是一款稳压直流电源用于低功耗分析,有着Ksight N6705的精度,却比Power monitor更小巧便携。电脑端使用配套的E-sight工具可以实时分析波形,具有电源供电和电流表双模式。
支持linux发行版,苹果Mac OS和windows系统二次开发API接口(提供C#,python,VB,C++,Labview等例程),方便工厂和测试环境集成到现有的工具和设备中进行自动化测试。
更多资讯请关注公众号










